삼성전자의 자사주 매입·소각 발표는 언뜻 이해하기 어렵다. 삼성전자는 지난달 29일 “향후 1년 동안 11조3000억원 규모의 자사주를 매입·소각할 계획”이라고 밝혔다. 언론 보도는 “이재용식 주주 친화 경영(매일경제)”이라느니 “삼성그룹 지배구조 개편으로 생긴 부정적인 이미지를 털고 가려는 의도가 작용했다(조선일보)”느니 “이재용 부회장의 11조짜리 결단(중앙일보)”이라느니 온갖 찬사가 쏟아졌다. 사상 최대 규모의 주주 환원 정책이라는 평가다.
그러나 일단 이재용 부회장은 삼성전자의 등기임원이 아니고 이사회 구성원도 아니다. 이름만 부회장일 뿐 직접적인 의사결정에 참여할 수 없는 데다 정작 이 부회장의 삼성전자 지분은 0.57% 밖에 안 된다. 이번 자사주 매입과 소각 결정의 주체는 삼성전자 경영진과 이사회다. 실질적으로 이 부회장의 경영권 승계와 무관하지 않겠지만 이 부회장이 대승적 결단을 내린 것처럼 보도하는 건 애초에 사실 관계에 문제가 있다.
![]() |
||
| 중앙일보 10월30일 B1면. | ||
떠들썩한 언론의 평가도 다시 짚어볼 필요가 있다. 당초 여의도 증권가에서는 이 부회장의 경영권 승계를 위해 삼성전자가 주가를 최대한 낮게 유지할 거라는 관측이 지배적이었다. 주가가 낮을수록 상속세 부담이 줄어들기 때문이다. 아버지 이건희 회장에게 물려받을 삼성전자와 삼성생명의 지분 가치를 낮게 잡고 이 부회장이 보유한 삼성SDS와 삼성물산(옛 에버랜드)의 가치를 높게 유지하는 전략으로 갈 가능성이 크다는 전망이었다.
![]() |
||
| 10월30일 한국경제 4면. | ||
그런데 무슨 일이 벌어진 것일까. 삼성전자의 자사주 매입·소각은 시장의 이런 관측을 뒤엎는 조치다. 당장 삼성전자 자사주를 매입·소각하면 삼성전자 주가가 뛰게 된다. 단순히 자사주 매입만 한다면 우호 지분을 늘리는 효과가 있지만 매입 후 소각까지 한다면 이 부회장이 넘겨 받아야 할 아버지 이건희 회장의 지분 가치를 높여 상속세 부담이 늘어나고 향후 지주회사 전환 과정에서 삼성전자 지분을 매입하는 데 비용이 더 들게 된다.
박영주 현대증권 연구원은 “지난 1년여 동안 주식시장에서는 삼성그룹의 지배구조 개편과 관련, 삼성전자는 삼성전자의 주가가 오르는 것을 원치 않는다는 루머가 있었던 게 사실이었지만 근거가 없는 것으로 판명났다”고 밝혔다. 박 연구원은 “향후 지배구조 개편 과정에서 삼성전자 주가의 높고 낮음이 문제 되지 않는 형태의 구조 개편이 전개될 것으로 보인다”고 덧붙였다.
이상헌 하이투자증권 연구원은 “삼성그룹 지배구조 변환의 대전제는 정점에 있는 삼성물산이 삼성그룹의 지주회사가 돼 삼성전자 등 자회사 지분을 확보하는 동시에 향후 주도적으로 신성장 동력 사업을 이끌어가는 데 있다”고 분석했다. 삼성전자를 인적 분할하고 삼성물산과 삼성전자 지주부문이 합병해 삼성전자 사업회사 지분을 비롯해 그룹 계열사 지분을 충분히 확보하는 전략으로 갈 거라는 분석이다.
![]() |
||
| 이재용 삼성전자 부회장. ⓒ연합뉴스 | ||
결국 이번 삼성전자 자사주 매입과 소각 발표는 주주 환원 정책으로 포장하고 있지만 이재용 후계구도를 위한 포석이라고 보는 게 맞다. 여러 관측과 분석을 종합하면 이건희 시대에는 삼성전자가 그룹 지배의 핵심이었지만 이재용 시대에는 삼성물산으로 옮겨갔다. 이재용 부회장은 삼성전자 지분을 그대로 넘겨받기 보다는 삼성물산을 지주회사로 전환해 그룹 전체에 지배력을 강화하는 전략으로 갈 가능성이 크다.
이재용 부회장은 이미 에버랜드를 제일모직과 합병하고 다시 삼성물산과 합병하는 과정에서 통합 삼성물산의 지분을 16.5% 확보하고 있다. 아버지와 두 여동생의 지분을 더하면 30.4%에 이른다. 이건희 회장 시절, 에버랜드가 삼성생명을 지배하고 삼성생명이 삼성전자를 우회 지배하는 구조였다면 이재용 체제에서는 삼성물산이 삼성생명과 삼성전자를 각각 직접 지배하는 구조로 바뀌게 된다.
이 부회장 입장에서는 삼성물산으로 삼성전자를 지배할 수 있다면 굳이 삼성전자 지분 확보에 목을 맬 이유가 없다. 이 부회장이 직접 삼성전자 지분을 늘리기 보다는 이 부회장은 삼성물산 지분 확보에 주력하고 삼성물산이 삼성전자 지분을 늘리는 방향으로 갈 가능성이 크다. 최악의 경우 이건희 회장이 보유한 삼성전자 지분의 상당 부분을 상속세로 내더라도 이재용 중심의 지배구조를 확보하는 게 관건이다.
![]() |
||
| 삼성그룹 간략 지배구조. ⓒ유진투자증권. | ||
한때 이재용 부회장이 최대주주인 삼성SDS를 삼성전자와 합병하는 것 아니냐는 시나리오도 거론됐지만 그보다는 삼성SDS 지분을 재원으로 삼성물산의 지분을 늘리는 전략으로 갈 가능성이 크다는 게 전문가들 관측이다. 아버지의 유산 보다는 본인의 보유 자산의 가치를 극대화하는 전략이다. 이상헌 연구원은 “삼성SDS는 삼성전자와 합병하기 보다는 삼성전자 지주부문 또는 삼성물산과 합병할 가능성이 크다”고 전망했다.
이 연구원은 “삼성SDS가 삼성전자와 합병한다면 이재용 부회장의 삼성전자 지분은 늘어나겠지만 그 수준이 아주 미미한 반면, 사업적인 측면에서는 삼성SDS의 매출 수준 등을 고려할 때 삼성전자의 사업 부문으로 존재하기 어려워 기타 부문으로 포함되면서 성장성 등이 전혀 부각되지 않을 것”이라고 분석했다. “삼성SDS가 삼성물산과 합병해 삼성물산의 플랫폼 역할을 수행하면서 성장성을 높이는 전략으로 갈 가능성이 크다”는 분석이다.
결국 삼성전자의 자사주 매입과 소각은 주주 친화 정책이라기 보다는 이재용 후계 구도의 일환일 가능성이 크다. 이 부회장이 삼성그룹의 경영권을 넘겨 받으려면 첫째, 상속세를 모두 내고 둘째, 삼성전자와 삼성생명에 대한 지배력을 잃지 않아야 하고 셋째, 금융산업 분리 규제를 우회해야 한다. 이 부회장은 삼성SDS 지분을 팔아 삼성전자 지분을 추가 매입하는 걸로는 이 세 가지 조건을 만족시킬 수 없다는 판단을 한 것으로 보인다.
이 부회장이 이 회장의 자산을 전부 물려받는다고 가정하면 이 부회장이 내야 할 상속세는 6조원 규모에 이를 것으로 추산된다. 적지 않은 금액이지만 5년 동안 나눠서 낸다면 해마다 1조2500억원. 이건희 회장과 이재용 부회장의 삼성전자 지분을 더하면 4.0%에 이른다. 만약 이 부회장이 아버지가 보유한 삼성전자 지분을 물려받고 상속세를 배당으로 나눠 내는 것도 가능하다는 계산이 나온다.
삼성전자의 배당 가능 이익은 지난해 말 기준으로 133조5700억원 수준. 현금성 자산만 56조6890억원에 이른다. 유진투자증권 추산에 따르면 순운전자본을 제외한 현금성 자산이 47조원이 넘는 것으로 추산된다. 김준섭 유진투자증권 연구원은 “만약 상속인이 삼성전자 지분을 20%를 확보하게 되면 삼성전자가 연간 5조원(배당성향 25% 수준)씩만 배당하더라도 상속세에 필요한 1조원을 조달할 수 있다”는 분석을 내놓기도 했다.
이 부회장이 직접 삼성전자 지분을 보유하지 않더라도 삼성물산을 중심으로 지주회사 체제를 구축하고 간접적으로 삼성전자의 지분을 늘리면 삼성전자의 배당이 고스란히 이 부회장에게 올라가는 구조를 만들 수 있다는 이야기다. 증권가에서는 삼성전자와 삼성생명이 각각 지주회사와 사업회사로 인적분할한 뒤 각각의 지주회사를 삼성물산과 합병해 이 부회장의 그룹 지배력을 확대하는 방향으로 갈 거라는 게 지배적인 관측이다.
실제로 유진투자증권에서는 상속세와 금산분리 이슈를 동시에 해결할 수 있는 방안으로 삼성전자가 지주회사와 사업회사로 인적분할한 뒤 삼성SDS와 삼성전자 사업회사가 합병하는 동시에 이 부회장이 보유한 사업회사 지분을 지주회사로 현물 출자해 지분 비율을 높이는 시나리오를 제시하고 있다. 마지막 단계로 삼성물산과 삼성전자 지주회사가 합병하면 합병 법인이 삼성전자 사업회사의 지분을 36.8% 확보하게 된다.
이 경우 이재용 부회장의 삼성전자+삼성물산 합병법인 지분은 10.9%가 되고 이건희 회장은 3.1%, 동생 이부진 호텔신라 사장과 이서현 삼성물산 사장이 각각 3.1% 지분을 확보하게 된다. 어머니 홍라희 여사 지분 0.4%까지 더하면 이 부회장 가족의 지분이 20.4%, 계열사와 특수 관계인 지분을 모두 더하면 31.3%가 된다. 이건희 회장이 그때까지 살아있다는 걸 전제로 상속세 부담을 낮추면서 경영권을 순조롭게 넘겨받는 대안이라고 할 수 있다.
이번 삼성전자의 언뜻 이해하기 어려운 자사주 매입과 소각 발표는 이재용 부회장의 경영권 승계의 사전 정지작업일 가능성이 크다. 주목할 부분은 삼성전자가 자사주 매입·소각과 함께 향후 3년 동안 연간 잉여 현금 흐름의 30~50%를 배당이나 자사주 매입에 쓰겠다고 밝힌 대목이다. 주주 환원이라고 포장했지만 이재용 부회장 일가의 지분 비율을 높이면서 동시에 상속세 재원 마련을 위한 현금 확보 전략으로 해석할 수 있다.
![]() |
||
| 삼성SDS(왼쪽)와 삼성전자 지배구조. (삼성전자는 삼성생명 인적분할 시나리오 반영된 결과) ⓒ유진투자증권. | ||
이재용 부회장의 경영권 승계의 관건은 의식불명 상태의 이건희 회장이 숨을 거두기 전에 최대한 빨리 지주회사 체제로 전환하고 상속세 납부를 위한 현금을 마련하는 것이다. 삼성SDS가 어떤 형태로든 삼성전자와 합병하고 삼성전자가 지주회사와 사업회사로 인적분할하는 과정에서 주주들의 반발을 불식시키기 위해 사전에 주가 관리를 할 필요가 있다는 판단을 한 것으로 보인다.
이재용 부회장 입장에서는 삼성전자의 주가를 최대한 낮게 유지하는 게 좋겠지만 주주들의 반발을 의식하지 않을 수 없는 상황이다. 자사주 매입·소각과 배당 확대는 이재용 부회장과 주주들의 이해가 맞물리는 지점이다. 남아도는 현금으로 자사주를 사들이고 배당을 늘린다는데 주주들 입장에서는 굳이 반대할 이유가 없다. 제일모직과 삼성물산의 합병 과정에서 경험했듯이 상당수 주주들은 이재용 부회장과 같은 배를 타는 선택을 할 가능성이 크다.
대부분의 언론이 “사상 최대의 주주 환원”이라며 장밋빛 전망을 늘어놓고 있지만 기업이 미래를 위한 설비투자 보다 주가 띄우기에 천문학적인 규모의 비용을 쏟아 붓는 걸 마냥 긍정적으로 볼 수는 없다. 가뜩이나 삼성전자는 성장의 한계를 맞고 있다. 3분기 실적이 반짝 반등하긴 했지만 반도체와 스마트폰, 가전, 어느 한 부문도 전망이 밝지 않은데 주주들의 환심을 사기 위해 돈을 뿌리고 있는 상황이다.
파이낸셜타임즈는 “현금 지급기(cash machine)”라는 제목의 칼럼에서 “삼성전자의 자사주 매입은 투자자들을 달래는 것 뿐만 아니라 창업주 가족들에게도 유리한 결과가 될 것으로 보인다”고 분석했다. “주주들의 압박에 머리를 숙였다”고 평가한 대목도 눈길을 끈다. 이 신문은 “지난 2년 동안 한국 기업들은 성장에 정체를 겪어왔고 스마트폰 시장에서 점유율을 잃고 있다”면서 “외국인 주주들이 낮은 배당에 대한 강한 불만을 제기해 왔다”고 지적했다.
이 신문은 한 헤지펀드 관계자의 말을 인용해 “제일모직과 삼성물산 합병 과정에서 엘리엇 자산운용과 의결권 대결을 벌이면서 외국인 주주들을 달랠 필요가 있다고 판단한 것으로 보인다”고 지적하기도 했다. 자사주 매입과 소각은 발행 주식 수를 줄여 상대적으로 이재용 부회장 일가와 우호 지분의 비율을 높이는 효과도 있다. 향후 경영권 승계 과정에서 반발 표를 의식한 전략이라는 분석이다.
파이낸셜타임즈는 특히 삼성전자가 자사주 매입·소각 계획을 밝히면서 정작 기존에 보유하고 있던 자사주에 대해서는 아무런 언급이 없었다는 사실에 주목했다. 삼성전자가 보유하고 있는 자사주는 13.0%에 이른다. 이 신문은 “삼성전자가 보유하고 있는 자사주는 경영권 공격에 대비한 전략적 자산이라는 사실이 입증됐다”고 평가했다. 이번 자사주 매입·소각이 단순히 주주 환원이 아니라 경영권 강화 차원일 가능성이 크다는 의미다.
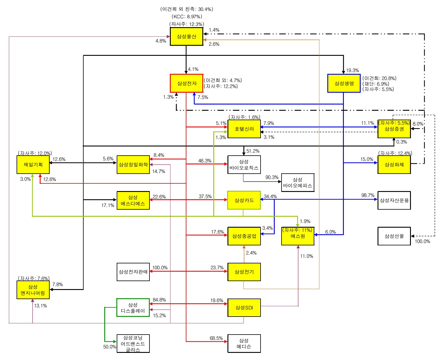
![]() |
||
| 삼성그룹 지배구조. ⓒ하이투자증권. | ||
자사주 매입과 소각은 당장 주가를 끌어올리는 데는 도움이 되겠지만 정작 기업 가치에는 아무런 영향을 주지 못한다. 장기적으로 투자 재원이 줄어들기 때문에 오히려 기업의 성장성에는 마이너스 요인이 될 수 있다. 배당 역시 마찬가지다. 주주들은 환영하겠지만 시장에서는 실적 개선이 불투명하기 때문에 인위적으로 주가 부양에 나선 것으로 보고 위험 신호로 해석할 수도 있다.
주주 환원이니 주주 친화 경영이니 하는 구호는 공허할 뿐만 아니라 이재용 후계 구도를 둘러싼 거대한 변화를 외면하는 결과가 될 수도 있다. 갈 길이 급한 이재용 부회장이 왜 주주 친화 경영을 천명하고 나섰을까. 당장 상속세 부담이 늘어날 텐데 왜 주가를 끌어올리는 것일까. 답은 간단하고 명확하다. 상속세 부담이 조금 늘어나더라도 그게 이재용 부회장이 적은 지분으로 그룹 전체를 지배할 수 있는 유일한 해법이기 때문이다. 이재용 후계 구도가 막바지 단계에 접어들었다.
후원은 더 좋은 기사에 도움이 됩니다






